设为首页 | 加入收藏

亚星游戏登录正网官方网站!

P

产品分类
RODUCT CLASSIFICATION

更多>>
联系方式
/ CONTACT

手机:13823228934

电话:0755-23192524

QQ:836024111

[email protected]

当前位置:首页 > 产品展示 > Marzocchi马祖奇齿轮泵 > 产品详情
产品展示
马祖奇齿轮泵ALP3A-D-110

马祖奇齿轮泵ALP3A-D-110

马祖奇齿轮泵ALP3A-D-110:
在液压传动领域,马祖奇齿轮泵一直以其高效、可靠和长寿命的特点而备受推崇。其中,ALP3A-D-110型号的齿轮泵,更是凭借其卓越的性能,成为许多关键应用的首选。本文将深入探讨这款齿轮泵的特点、优势以及应用。
一、马祖奇齿轮泵ALP3A-D-110的特点
高效率:ALP3A-D-110齿轮泵采用了精密的设计和制造工艺,确保了在传递液压动力时的高效率。其优秀的功率重量比,使得在各种应用中都能实现高效传动。
高可靠性:这款齿轮泵采用了高质量的材料和耐用的轴承,保证了其在各种恶劣环境下的稳定运行。同时,其简洁的设计和易于维护的特点,也大大降低了故障率。
长寿命:ALP3A-D-110齿轮泵的设计寿命长,且经过严格的质量控制和耐久性测试,确保了在长时间使用后依然能保持其原始性能。
马祖奇齿轮泵ALP3A系列

二、马祖奇齿轮泵ALP3A-D-110的优势
广泛的适用性:ALP3A-D-110齿轮泵可用于各种不同的液压系统,无论是工业设备、工程机械还是航空航天,都能看到它的身影。
优秀的抗污染性能:这款齿轮泵具有很强的抗污染能力,即使在含有大量杂质的环境中,也能保持稳定的性能。
易于维护:ALP3A-D-110齿轮泵的设计简洁易维护,使得在日常使用中,无论是保养还是维修都变得简单易行。
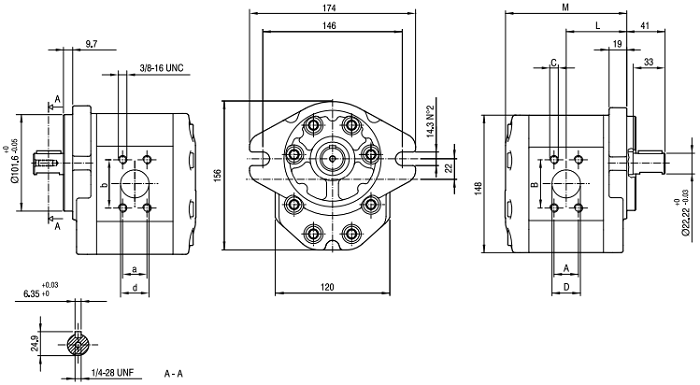
马祖奇齿轮泵ALP3A尺寸

三、马祖奇齿轮泵ALP3A-D-110的应用
由于以上的特点和优势,ALP3A-D-110齿轮泵广泛应用于以下领域:
工业设备:在工厂中,这款齿轮泵被用于驱动各种不同的机械设备,如液压起重机、液压剪等。
工程机械:在建筑工程中,它被用于各种工程车辆的液压系统,如挖掘机、压路机等。
航空航天:在航空航天领域,这款齿轮泵用于驱动飞行器的液压作动器,以及为其他设备提供液压动力。
     总结:马祖奇齿轮泵ALP3A-D-110以其高效、可靠和长寿命的特点,成为液压传动领域的明星产品。无论是在工业设备、工程机械还是航空航天领域,它都发挥着重要的作用。随着科技的不断发展,我们有理由相信,这款优秀的齿轮泵将在未来的液压传动应用中继续发挥其独特的优势。
客服电话
  • 手机:138-2322-8934
  • 座机:0755-23192524