设为首页 | 加入收藏

亚星游戏登录正网官方网站!

P

产品分类
RODUCT CLASSIFICATION

更多>>
联系方式
/ CONTACT

手机:13823228934

电话:0755-23192524

QQ:836024111

[email protected]

当前位置:首页 > 产品展示 > YUKEN油研液压油泵 > 产品详情
产品展示
SVPF 系列油研变量叶片泵

SVPF 系列油研变量叶片泵

      SVPF系列YUKEN叶片泵静音、体积小、效率高、寿命长、响应快。该泵压力、流量可调,适用于收费机、鞋机等小型、轻型设备。 低噪音水平;紧凑型 - 小尺寸;高效率
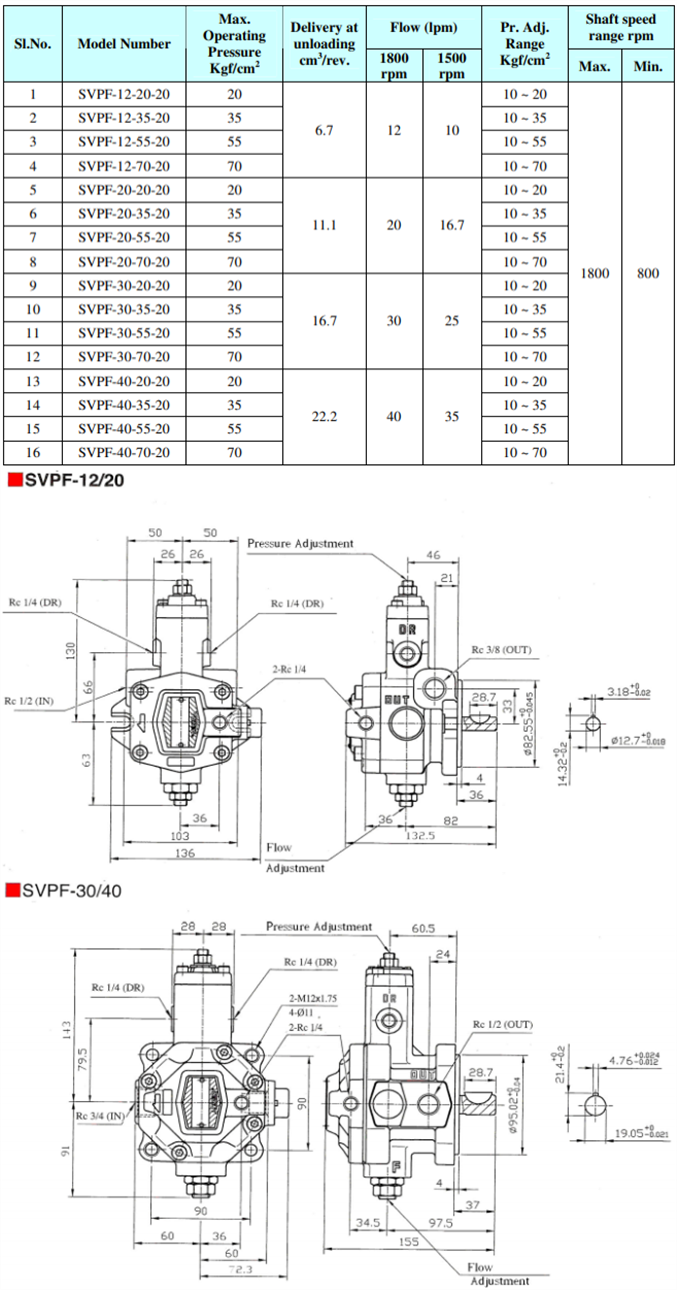
SVPF系列油研叶片泵型号:
油研叶片泵SVPF-12-20-20 ; 油研叶片泵SVPF-12-35-20 ; 油研叶片泵SVPF-12-55-20
油研叶片泵SVPF-12-70-20 ; 油研叶片泵SVPF-20-20-20 ; 油研叶片泵SVPF-20-35-20
油研叶片泵SVPF-20-55-20 ; 油研叶片泵SVPF-20-70-20 ; YUKEN叶片泵SVPF-30-20-20
YUKEN叶片泵SVPF-30-35-20 ; YUKEN叶片泵SVPF-30-55-20 ; YUKEN叶片泵SVPF-30-70-20
YUKEN叶片泵SVPF-40-20-20 ; YUKEN叶片泵SVPF-40-35-20 ; YUKEN叶片泵SVPF-40-55-20
YUKEN叶片泵SVPF-40-70-20
油研变量叶片泵SVPF 系列型号参数:

.油研SVPF叶片泵参数
客服电话
  • 手机:138-2322-8934
  • 座机:0755-23192524