设为首页 | 加入收藏

亚星游戏登录正网官方网站!

N

新闻动态
EWS CENTER

更多>>
联系方式
/ CONTACT

手机:13823228934

电话:0755-23192524

QQ:836024111

[email protected]

当前位置:首页 > 新闻中心 > 相关资讯 > 新闻详情
新闻详情

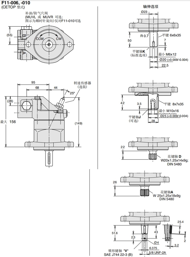
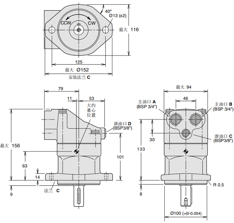
派克液压马达F11-006,-010安装尺寸

发布时间:2023-04-04浏览次数:864
派克F11系列液压泵/马达


派克F11系列液压马达规格:F11-005 ,F11-006 ,F11-010 ,F11-012 ,F11-014 ,F11-019


派克液压马达F11-006,-010安装尺寸(CETOP 型式):

派克液压马达F11-006,-010安装尺寸


派克液压马达F11-006,-010安装尺寸
客服电话
  • 手机:138-2322-8934
  • 座机:0755-23192524