设为首页 | 加入收藏

亚星游戏登录正网官方网站!

N

新闻动态
EWS CENTER

更多>>
联系方式
/ CONTACT

手机:13823228934

电话:0755-23192524

QQ:836024111

[email protected]

当前位置:首页 > 新闻中心 > 相关资讯 > 新闻详情
新闻详情

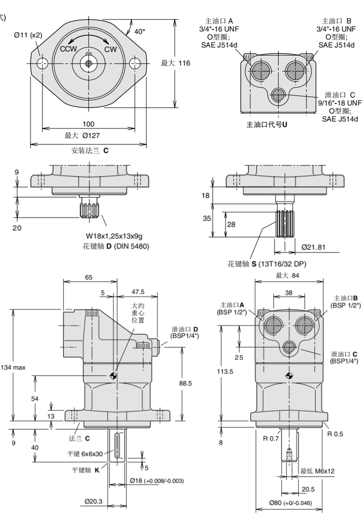
派克液压马达F11-005安装尺寸(CETOP 型式)

发布时间:2023-04-04浏览次数:1042
派克F11系列液压泵/马达

效率
由于总效率高,驱动F11系列马达所需的燃料或电力就少。而且,它能使系统使用较小的油箱和散热器,反过来也降低成本,减轻重量,减小安装尺寸。
右图所示是F11-5 马达的容积效率和机械效率。
F11-19马达可安装功率提升装置,在高转速应用场合中可降低高达15%的机械损失,见第7页。
关于F11的具体规格的效率信息,请联系Parker Hannifin。

派克F11系列液压马达规格:F11-005 ,F11-006 ,F11-010 ,F11-012 ,F11-014 ,F11-019

派克液压马达F11-005安装尺寸(CETOP 型式):

派克液压马达F11-005安装尺寸

客服电话
  • 手机:138-2322-8934
  • 座机:0755-23192524