亚星游戏登录正网-免费下载
设为首页
|
加入收藏
亚星游戏登录正网官方网站!
维尔森首页
HOME PAGE
产品中心
PRODUCTS
新闻动态
NEWS
案例展示
CASES
维修服务
SERVICE
关于维尔森
ABOUT US
联系维尔森
CONTACT US
N
新闻动态
EWS CENTER
相关资讯
售后服务
常见问题
更多>>
联系方式
/ CONTACT
手机:13823228934
电话:0755-23192524
QQ:836024111
[email protected]
当前位置:
首页
>
新闻中心
>
相关资讯
> 新闻详情
新闻详情
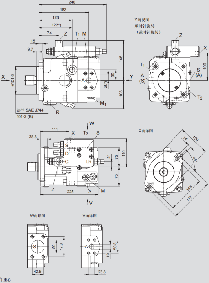
力士乐A11VO40变量柱塞泵元件尺寸
发布时间:
2023-03-12
浏览次数:
811
力士乐A11VO40变量柱塞泵元件尺寸
规格40 .
LRDCS:
功率控制LR,带压力切断D、交叉传感控制C、负荷传感控制S
在确定您的设计之前,请索取有效的安装图纸。
轴向柱塞变量泵A11VO 开式回路
尺寸0...260
系列1
公称压力350 bar
峰值压力400 bar
规格:A11VO40,A11VO60,A11VO75,A11VO95,A11VO130,A11VO145,A11VO190,A11VO260
A11VO轴向柱塞变量泵特性:
- 斜盘式轴向柱塞变量泵,用于开式回路液压传动。
- 主要用于行走机械领域。
- 泵在自吸条件下,油箱加压或带内置升压泵(离心泵)的条件下工作。
- 多种控制,满足不同的操作要求。
- 即使泵在运行时也可在外部来调节功率控制。
- 该泵带有通轴驱动,可承装齿轮泵或直到相同规格的轴向柱塞泵(100% 通轴驱动)。
- 输出流量与驱动转速成比例,并可在最大值与零值之间无级变化。
上一条
返回目录
下一条
在线客服
液压销售客服
维尔森客服
客服电话
手机:138-2322-8934
座机:0755-23192524