亚星游戏登录正网-免费下载
设为首页
|
加入收藏
亚星游戏登录正网官方网站!
维尔森首页
HOME PAGE
产品中心
PRODUCTS
新闻动态
NEWS
案例展示
CASES
维修服务
SERVICE
关于维尔森
ABOUT US
联系维尔森
CONTACT US
N
新闻动态
EWS CENTER
相关资讯
售后服务
常见问题
更多>>
联系方式
/ CONTACT
手机:13823228934
电话:0755-23192524
QQ:836024111
[email protected]
当前位置:
首页
>
新闻中心
>
相关资讯
> 新闻详情
新闻详情
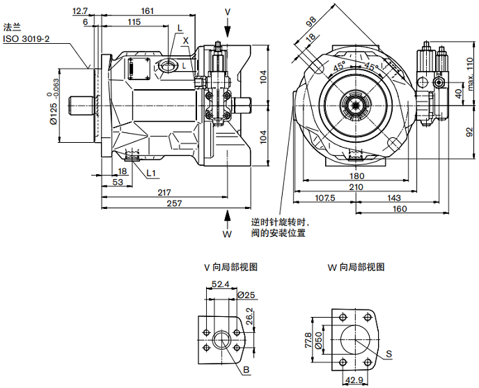
A10VSO71DFR,A10VSO71DFR1力士乐柱塞泵安装尺寸
发布时间:
2023-02-18
浏览次数:
790
力士乐轴向柱塞变量泵A10VSO 技术数据表
系规列31 格 18至140 公称压力 280 bar 大压力350bar 最开式回路
力士乐轴向柱塞变量泵A10VSO特性:
-斜盘结构轴向柱塞变量泵,用于开式回路中的静液压传动
-流量与传动速度和排量成比例
-通过调节旋转斜盘角度,可实现流量的无级变化。
-2个壳体泄油口
-出色的吸油特性
-低噪音等级
-长久的使用寿命
-传动轴的轴向和径向负载能力
-理想的功率重量比
-多种控制范围
-短的控制时间
-该泵带有通轴驱动,可承装齿轮泵或者小于等于相同规格的轴向柱塞泵,即100%通轴驱动。
A10VSO力士乐变量柱塞泵
规格尺寸 71
请在完成最终设计之前索取经过审核的安装图。尺寸以 mm 为单位。
A10VSO71DFR,A10VSO71DFR1
力士乐柱塞泵
安装尺寸:
.
上一条
返回目录
下一条
在线客服
液压销售客服
维尔森客服
客服电话
手机:138-2322-8934
座机:0755-23192524