亚星游戏登录正网-免费下载
设为首页
|
加入收藏
亚星游戏登录正网官方网站!
维尔森首页
HOME PAGE
产品中心
PRODUCTS
新闻动态
NEWS
案例展示
CASES
维修服务
SERVICE
关于维尔森
ABOUT US
联系维尔森
CONTACT US
N
新闻动态
EWS CENTER
相关资讯
售后服务
常见问题
更多>>
联系方式
/ CONTACT
手机:13823228934
电话:0755-23192524
QQ:836024111
[email protected]
当前位置:
首页
>
新闻中心
>
相关资讯
> 新闻详情
新闻详情
A10VSO45力士乐变量柱塞泵,DFR/DFR1 — 压力和流量控制
发布时间:
2023-02-18
浏览次数:
1182
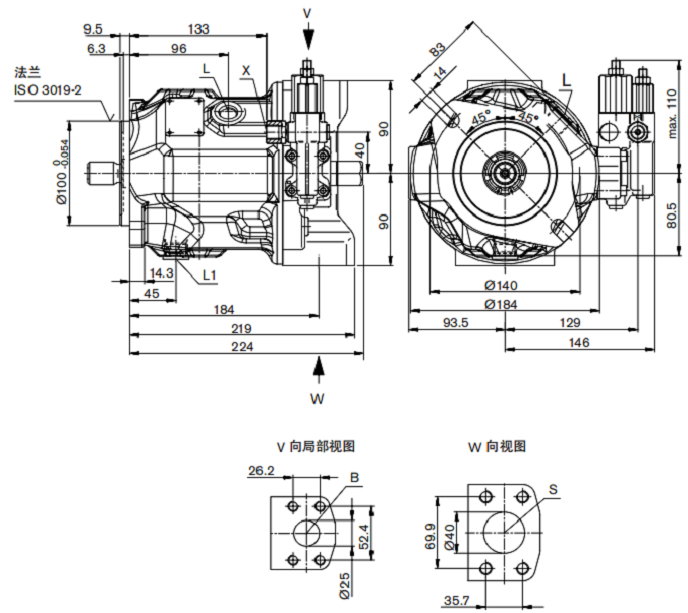
A10VSO45力士乐变量柱塞泵
规格尺寸 45
DFR/DFR1 — 压力和流量控制,液压
顺时针旋转
请在完成最终设计之前索取经过审核的安装图。尺寸以 mm 为单位。
力士乐变量柱塞泵
A10VSO45油口:
1) 有关最大紧固扭矩,应遵守第 48 页的安全说明。
2) 根据不同应用情况,可能会出现瞬时压力峰值。选择测量设备和接头时应考虑这一点。用 bar 绝对压力表示的压力值。
3) 仅尺寸依据 SAE J518,公制紧固螺纹与标准螺纹存在偏差。
4) 孔口平面可以比标准规定的深。
5) 根据安装位置,必须连接 L 或 L1 (也可参见第 44、46 页上的安装说明)
O = 必须连接 (交付时堵上)
X = 堵上 (正常运行条件下)
力士乐变量柱塞泵A10VSO28传动轴:
1)ANSI B92.1a. 30压力角,平齿根,侧面配合,公差等级5
2)花键(符合ANSI B92.1a)。花键的跳动与标准之间存在偏差。
3)符合ASME B1.1标准的螺纹
4)符合DIN 13的螺纹
5)有关最大紧固扭矩,应遵守第48页的安全说明。
上一条
返回目录
下一条
在线客服
液压销售客服
维尔森客服
客服电话
手机:138-2322-8934
座机:0755-23192524