亚星游戏登录正网-免费下载
设为首页
|
加入收藏
亚星游戏登录正网官方网站!
维尔森首页
HOME PAGE
产品中心
PRODUCTS
新闻动态
NEWS
案例展示
CASES
维修服务
SERVICE
关于维尔森
ABOUT US
联系维尔森
CONTACT US
N
新闻动态
EWS CENTER
相关资讯
售后服务
常见问题
更多>>
联系方式
/ CONTACT
手机:13823228934
电话:0755-23192524
QQ:836024111
[email protected]
当前位置:
首页
>
新闻中心
>
常见问题
> 新闻详情
新闻详情
A4VSO40力士乐轴向柱塞变量泵特点及安装尺寸图
发布时间:
2023-02-02
浏览次数:
2083
A4VSO40力士乐轴向柱塞变量泵
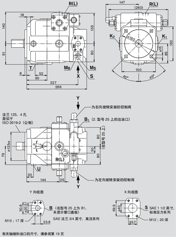
系列 1 在完成设计之前,请索取一份经过确认的安装图。尺寸单位为 mm。
(示例:压力控制;有关控制设备的精确尺寸,请参阅各自的样本)
尺寸,规格 40
在完成设计之前,请索取一份经过确认的安装图。尺寸单位为 mm。
油口 最大紧固扭矩 2)
S 吸油口(标准压力系列)
紧固螺纹
SAE J518 3)
DIN 13
1 1/2 英寸
M12x1.75;20 深 2)
K1,K2 冲洗口 DIN 3852 M22x1.5;14 深(已封堵) 210 Nm
T 泄油 DIN 3852 M22x1.5;14 深(已封堵) 210 Nm
MB 测量出油口压力 DIN 3852 M14x1.5;12 深(已封堵) 80 Nm
MS 测量吸油口压力 DIN 3852 M14x1.5;12 深(已封堵) 80 Nm
R(L) 注油和排放(壳体泄油口) DIN 3852 M22x1.5;14 深 210 Nm
U 冲洗口 DIN 3852 M14x1.5;12 深(已封堵) 80 Nm
在型号 13 上
B 压力油口(高压系列)
紧固螺纹
SAE J518 3)
DIN 13
3/4 英寸
M10x1.5;17 深 2)
B1 附加油口 DIN 3852 M22x1.5;14 深(已封堵) 210 Nm
在型号 25 上
B 压力油口(高压系列)
紧固螺纹
SAE J518 3)
DIN 13
3/4 英寸
M10x1.5;17 深 2)
B1 2. 压力油口(高压系列)
紧固螺纹
SAE J518 3)
DIN 13
3/4 英寸(用管口盖板封闭)
M10x1.5;17 深 2)
1)符合 DIN 332 的中心孔(符合 DIN 13 的螺纹)
2)对于最大紧固扭矩,请遵守第 68 页上制造商提供的所用配件相关信息和一般信息
3)小心:公制螺纹偏离标准
力士乐A4VSO40轴向柱塞变量泵特点:
–采用斜盘设计的轴向柱塞泵,适用于开路中的液压传动装置
–流量与输入传动速度和排量成比例。通过调整斜盘角度,可对输出流量进行无级调节。
–出色的吸油特性
–低噪音等级
–长久的使用寿命
–模块化设计
–响应时间短
–变速通轴传动选项
–可视摆动角指示器
–可选安装位置
–可在减少运行数据的情况下使用HF油液运行
有一个特殊型号可用于使用HFC油液运行,请参阅样本RC92053
A4VSO力士乐轴向柱塞变量泵:
系列10, 11和30
规格40...1000
公称压力350 bar
峰值压力400 bar
上一条
返回目录
下一条
在线客服
液压销售客服
维尔森客服
客服电话
手机:138-2322-8934
座机:0755-23192524