新闻动态
EWS CENTER
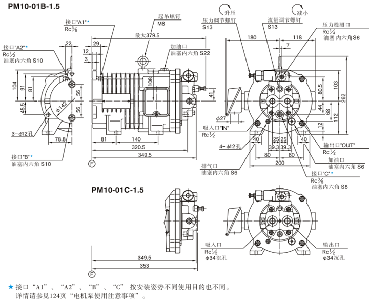
| PM10-01B-0.75-30 PM10-01B-1.5-30 PM16-01B-1.5-30 PM16-01B-2.2-30 PM22-01B-2.2-30 PM22-01B-3.7-30 PM37-01B-3.7-30 PM37-01B-5.5-30 | PM10-01C-0.75-30 PM10-01C-1.5-30 PM16-01C-1.5-30 PM16-01C-2.2-30 PM22-01C-2.2-30 PM22-01C-3.7-30 PM37-01C-3.7-30 PM37-01C-5.5-30 |

