设为首页 | 加入收藏

亚星游戏登录正网官方网站!

N

新闻动态
EWS CENTER

更多>>
联系方式
/ CONTACT

手机:13823228934

电话:0755-23192524

QQ:836024111

[email protected]

当前位置:首页 > 新闻中心 > 相关资讯 > 新闻详情
新闻详情

工业及行走机械用T6C,T6CM,T6CP系列丹尼逊叶片泵安装尺寸

发布时间:2022-12-23浏览次数:1087
工业及行走机械用T6系列单联、双联及三联叶片泵

     T6 系列叶片泵具有 3 种规格(C, D 及 E)的壳体,每种规格壳体可配装相应系列具有不同排量的泵芯组件,组成本型泵的一个规格系列,在吸口为大气压条件及以最高转速运行时,

各规格系列的流量及排量范围为:

C 系列:10 至 100 ml/rev(1200 rpm 时,3 至 31 gpm);

D 系列:48 至 158 ml/rev(1200 rpm 时,14 至 50 gpm);

E 系列:132 至 227 ml/rev(1200 rpm 时,42 至 72 gpm)。

丹尼逊T6C叶片泵及T6CM叶片泵安装尺寸:
丹尼逊T6C叶片泵及T6CM叶片泵安装尺寸

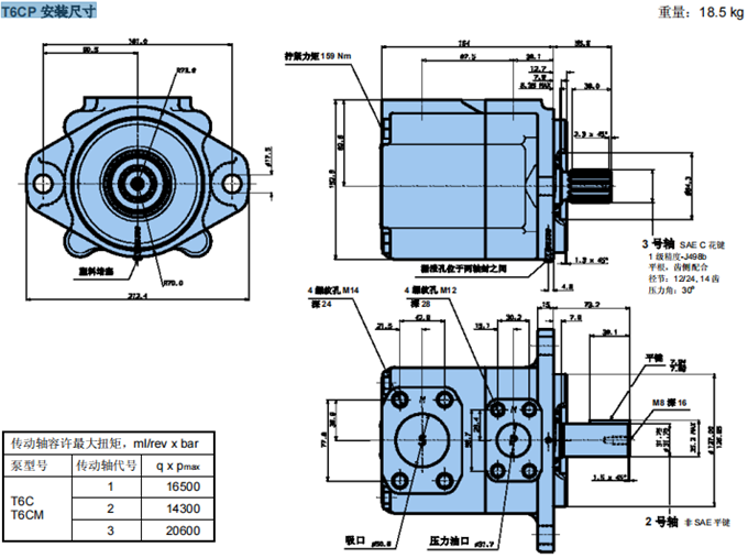
丹尼逊T6CP叶片泵安装尺寸:

丹尼逊T6CP叶片泵安装尺寸






客服电话
  • 手机:138-2322-8934
  • 座机:0755-23192524